我們將使用cookie等資訊來優化您的體驗,繼續瀏覽即表示您同意我們使用。欲瞭解詳細內容,請詳閱
隱私權保護政策
×
黑澤精密科技有限公司
SEARCH:
關於我們
最新消息
自動化事業部
白鐵/鐵 儲氣桶 Stainless Steel/ Iron Air Tank (CE另選購)
鐵製儲氣桶 白漆/灰漆 Iron Air Tank
白鐵儲氣桶_電解/酸洗 Stainless Steel Air Tank_Electrolysis/Acid Washing
客製化儲氣桶 Customized Air Tank
儲氣桶配件 Air Tank Accessories
KZH台灣製作不銹鋼壓力桶 MIT Stainless Steel Pressure Barrels
白鐵壓力桶
平價 白鐵不鏽鋼SUS304/316 球閥 Stainless Steel Ball Valve
平價迷你球閥 Mini Ball Valve
平價一片式球閥 1PC Ball Valve
平價兩片式球閥 2PC Ball Valve
SUS304/SUS316 不鏽鋼接頭 Stainless Connector
不鏽鋼氣動接頭系列 Stainless Steel Pneumatic Connector Series
不鏽鋼氣動快速接頭系列 Stainless Steel Pneumatic Quick Connector Series
SUS316 不鏽鋼球閥 Stainless Ball Valve
儀表閥 Instrument Valve
Y型控制球型閥 Y-type Control Ball Valve
低溫閥 Cryogenic Valve
多通球閥 Multi-way Ball Valve
三片式球閥 3PC Thread Ball Valve
一片式牙口球閥 1PC Thread Ball Valve
二片式球閥 2PC Thread Ball Valve
無油式真空幫浦 Oil-free Vacuum Pump
真空幫浦 Vacuum Pump
耐腐蝕真空幫浦 Corrosion Resistant Vacuum Pump
PE鐵氟龍管PTFE/PFA
Ai冷卻水 流體快速接頭 Fluid Quick Connector
日本TAKAGI 灑水器
TAKAGI灑水器
Mindama空壓零件 Air Compressor Parts
無桿缸 Rodless Cylinder
導桿氣壓缸 Guide Rod Pneumatic Cylinder
圓型氣壓缸 Round Pneumatic Cylinder
迷你氣壓缸 Mini Pneumatic Cylinder
薄型氣壓缸 Thin Pneumatic Cylinder
ISO 15552 標準氣壓缸 Standard Pneumatic Cylinder
標準氣壓缸 Standard Pneumatic Cylinder
增壓器 Booster
壓力錶 Pressure Gauge
電控比例閥 Electronic Proportional Valve
三點組合 Three-point Combination
手動閥
氣動&機械閥系列
方控制閥
PISCO接頭/控制閥
油壓缸
輔助裝置/浮動接頭/梭動閥
傳感器/感應器/數位傳感器
流體控制元件
真空元件
塑膠軌道鏈/電纜線/流體配管用保護及引導裝置
特殊環境用-管類
軟質聚氨酯管-一般環境用管
手動閥類
控制閥/調速閥類
機能型-快速接頭
特殊環境用-快速接頭
標準型管接頭
日本SMC 空壓元件
方向控制元件
驅動元件
管接頭配管
計裝元件
補助清淨化
真空元件
熱交換元件
油壓元件
工業用過濾器
TEFLON PTFE/PFA 鐵氟龍氣壓管
NYLON 軟尼龍氣壓管
不鏽鋼螺帽接頭系列
日本Unicontrols不鏽鋼壓力桶-HIBAR
標準壓力容器
特製加壓容器
壓力容器選購加工
壓力容器選購配件
攪拌器
定量閥
海幫幫浦-馬達驅動式柱塞幫浦
海霸幫浦- HibarPump 氣壓驅動式柱塞幫浦
柱塞幫浦
幫浦 選購 配件
套筒
配件
針筒柱塞/針筒密封蓋
閥式點膠控制器
套筒式點膠控制器
針筒式點膠控制器
可在中國使用的壓力容器
塗覆專用 桌上型機械手臂
居家生活用品
灑水車組
機械整合設備
技術情報
氣缸兩段變數
氣壓缸前後緩衝測試教學影片
聯絡我們
詢價車 :
0
詢價車
前往詢價
自動化事業部
首頁
自動化事業部
白鐵儲氣桶_電解/酸洗 Stainless Steel Air Tank_Electrolysis/Acid Washing
白鐵/鐵 儲氣桶 Stainless Steel/ Iron Air Tank (CE另選購)
白鐵儲氣桶_電解/酸洗 Stainless Steel Air Tank_Electrolysis/Acid Washing
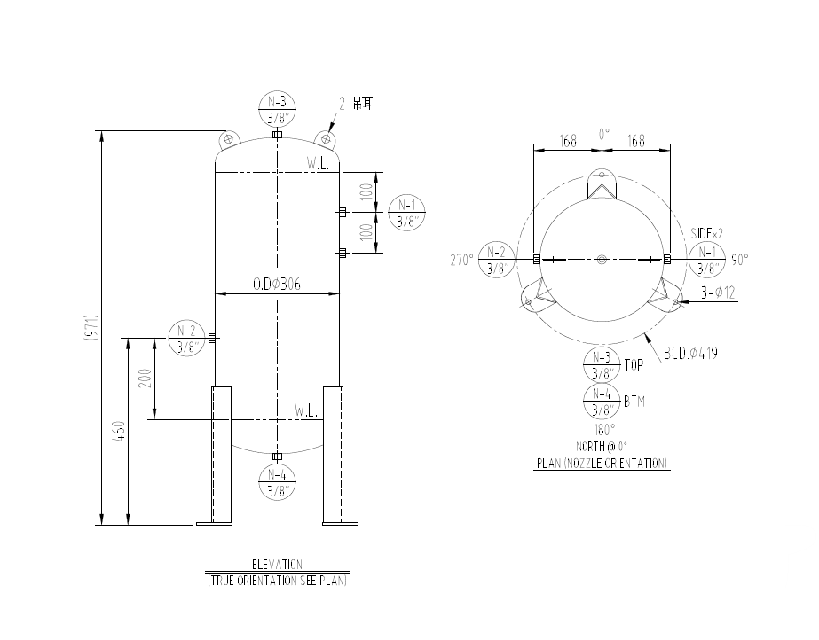
50L白鐵儲氣桶
分享至Facebook
分享至Twitter
分享至Plurk
分享至LINE
分享至Linkedin
分享至Whatsapp
分享至Weibo
分享至Blogger
分享至Gmail
50L白鐵儲氣桶
50公升立式白鐵儲氣桶
材質:SUS304/SUS316
表面處理:內外酸洗/內酸洗外拋光;電解
※ 進出口孔徑 均可客製化處理
數量 :
-
+
加入詢價車
/
/
/
詳細介紹
回上頁
產品搜尋
聯絡我們
0
回首頁
SEARCH:
關於我們
最新消息
自動化事業部
白鐵/鐵 儲氣桶 Stainless Steel/ Iron Air Tank (CE另選購)
鐵製儲氣桶 白漆/灰漆 Iron Air Tank
白鐵儲氣桶_電解/酸洗 Stainless Steel Air Tank_Electrolysis/Acid Washing
客製化儲氣桶 Customized Air Tank
儲氣桶配件 Air Tank Accessories
KZH台灣製作不銹鋼壓力桶 MIT Stainless Steel Pressure Barrels
白鐵壓力桶
平價 白鐵不鏽鋼SUS304/316 球閥 Stainless Steel Ball Valve
平價迷你球閥 Mini Ball Valve
平價一片式球閥 1PC Ball Valve
平價兩片式球閥 2PC Ball Valve
SUS304/SUS316 不鏽鋼接頭 Stainless Connector
不鏽鋼氣動接頭系列 Stainless Steel Pneumatic Connector Series
不鏽鋼氣動快速接頭系列 Stainless Steel Pneumatic Quick Connector Series
SUS316 不鏽鋼球閥 Stainless Ball Valve
儀表閥 Instrument Valve
Y型控制球型閥 Y-type Control Ball Valve
低溫閥 Cryogenic Valve
多通球閥 Multi-way Ball Valve
三片式球閥 3PC Thread Ball Valve
一片式牙口球閥 1PC Thread Ball Valve
二片式球閥 2PC Thread Ball Valve
無油式真空幫浦 Oil-free Vacuum Pump
真空幫浦 Vacuum Pump
耐腐蝕真空幫浦 Corrosion Resistant Vacuum Pump
PE鐵氟龍管PTFE/PFA
Ai冷卻水 流體快速接頭 Fluid Quick Connector
日本TAKAGI 灑水器
TAKAGI灑水器
Mindama空壓零件 Air Compressor Parts
無桿缸 Rodless Cylinder
導桿氣壓缸 Guide Rod Pneumatic Cylinder
圓型氣壓缸 Round Pneumatic Cylinder
迷你氣壓缸 Mini Pneumatic Cylinder
薄型氣壓缸 Thin Pneumatic Cylinder
ISO 15552 標準氣壓缸 Standard Pneumatic Cylinder
標準氣壓缸 Standard Pneumatic Cylinder
增壓器 Booster
壓力錶 Pressure Gauge
電控比例閥 Electronic Proportional Valve
三點組合 Three-point Combination
手動閥
氣動&機械閥系列
方控制閥
PISCO接頭/控制閥
油壓缸
輔助裝置/浮動接頭/梭動閥
傳感器/感應器/數位傳感器
流體控制元件
真空元件
塑膠軌道鏈/電纜線/流體配管用保護及引導裝置
特殊環境用-管類
軟質聚氨酯管-一般環境用管
手動閥類
控制閥/調速閥類
機能型-快速接頭
特殊環境用-快速接頭
標準型管接頭
日本SMC 空壓元件
方向控制元件
驅動元件
管接頭配管
計裝元件
補助清淨化
真空元件
熱交換元件
油壓元件
工業用過濾器
TEFLON PTFE/PFA 鐵氟龍氣壓管
NYLON 軟尼龍氣壓管
不鏽鋼螺帽接頭系列
日本Unicontrols不鏽鋼壓力桶-HIBAR
標準壓力容器
特製加壓容器
壓力容器選購加工
壓力容器選購配件
攪拌器
定量閥
海幫幫浦-馬達驅動式柱塞幫浦
海霸幫浦- HibarPump 氣壓驅動式柱塞幫浦
柱塞幫浦
幫浦 選購 配件
套筒
配件
針筒柱塞/針筒密封蓋
閥式點膠控制器
套筒式點膠控制器
針筒式點膠控制器
可在中國使用的壓力容器
塗覆專用 桌上型機械手臂
居家生活用品
灑水車組
機械整合設備
技術情報
氣缸兩段變數
氣壓缸前後緩衝測試教學影片
聯絡我們
+886424374448
s90305tw@gmail.com
https://line.me/R/ti/p/%40003vrgcr